Product Summary
The IRFK6H250+ is an isolated base power HEX. The IRFK6H250+ combines low on-state resistance with high transconductance. The superior technology die is assembled by state of the techniques into the TO-240 package, featuring 2.5KV rms isolation and solid M5 screw connections. The small footprint of the IRFK6H250+ means the package is highly suited to power applications where space is a premium.
Parametrics
IRFK6H250+ absolute maximum ratings: (1)continuous drain current, ID @ Tc=25℃: 140A; (2)continuous drain current, ID @ Tc=100℃: 90A; (3)pulse drain current, IDM: 560A; (4)maximum power dissipation, PD @ Tc=25℃: 625W; (5)gate to source voltage, VGS: 20V; (6)RMS isolation voltage, circuit to base, VINS: 2.5kV; (7)operating junction temperature range, Tj: -40 to 150℃; (8)storage temperature range, Tstg: -40 to 150℃.
Features
IRFK6H250+ features: (1)high current capability; (2)UL recognised E78996; (3)electrically isolated base plate; (4)easy assemby into equipment.
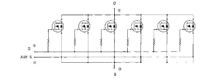
Diagrams

![]() |
![]() IRFK2D450 |
![]() Other |
![]() |
![]() Data Sheet |
![]() Negotiable |
|
||||
![]() |
![]() IRFK3D450 |
![]() Other |
![]() |
![]() Data Sheet |
![]() Negotiable |
|
||||
![]() |
![]() IRFK4HE50 |
![]() Other |
![]() |
![]() Data Sheet |
![]() Negotiable |
|
||||
(China (Mainland))








