Product Summary
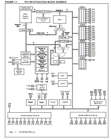
The PIC16F722AT-I/ML is a 28-Pin Flash Microcontroller with nanoWatt XLP Technology. It is available in 28-pin package. The PIC16F722AT-I/ML has a 13-bit program counter capable of addressing a 2K x 14 program memory space for the PIC16F/LF722A (0000h-07FFh) and a 4K x 14 program memory space for the PIC16F/LF723A (0000h-0FFFh). Accessing a location above the memory boundaries for the PIC16F722AT-I/ML will cause a wrap-around within the first 2K x 14 program memory space. Accessing a location above the memory boundaries for the PIC16F722AT-I/ML will cause a wrap-around within the first 4K x 14 program memory space.
Parametrics
PIC16F722AT-I/ML absolute maximum ratings: (1)Ambient temperature under bias:-40℃ to +125℃; (2)Storage temperature:-65℃ to +150℃; (3)Voltage on VDD with respect to VSS:-0.3V to +6.5V; (4)Voltage on VCAP pin with respect to VSS:-0.3V to +4.0V; (5)Voltage on VDD with respect to VSS:-0.3V to +4.0V; (6)Voltage on MCLR with respect to Vss:-0.3V to +9.0V; (7)Voltage on all other pins with respect to VSS:-0.3V to (VDD + 0.3V); (8)Total power dissipation:800 mW; (9)Maximum current out of VSS pin:95 mA; (10)Maximum current into VDD pin:70 mA; (11)Clamp current:±20 mA; (12)Maximum output current sunk by any I/O pin:25 mA; (13)Maximum output current sourced by any I/O pin:25 mA; (14)Maximum current sunk by all ports, -40℃≤ TA ≤+85℃ for industrial:200 mA; (15)Maximum current sunk by all ports,-40℃≤ TA≤ +125℃ for extended:90 mA; (16)Maximum current sourced by all ports, 40℃≤ TA≤ +85≤ for industrial:140 mA; (17)Maximum current sourced by all ports, -40℃≤ TA≤ +125℃ for extended:65 mA.
Features
PIC16F722AT-I/ML features: (1)Up to 4K x 14 Words of Flash Program Memory; (2)Up to 192 Bytes of Data Memory (RAM); (3)Interrupt Capability; (4)8-Level Deep Hardware Stack; (5)Direct, Indirect and Relative Addressing modes; (6)Processor Read Access to Program Memory; (7)Pinout Compatible to other 28-pin PIC16CXXX and PIC16FXXX Microcontrollers; (8)16 MHz or 500 kHz operation; (9)Factory calibrated to ±1%, typical; (10)Software tunable; (11)Programmable Code Protection; (12)In-Circuit Serial ProgrammingTM (ICSPTM) via Two Pins; (13)Multiplexed Master Clear with Pull-up/Input Pin; (14)Industrial and Extended Temperature Range; (15)High-current source/sink for direct LED drive; (16)Interrupt-on-pin change; (17)Individually programmable weak pull-ups; (18)Dedicated low-power 32 kHz oscillator; (19)16-bit timer/counter with prescaler; (20)External Gate Input mode with toggle and single shot modes ; (21)Interrupt-on-gate completion; (22)Addressable Universal Synchronous ; (23)Asynchronous Receiver Transmitter (AUSART).
Diagrams

| Image | Part No | Mfg | Description | ![]() |
Pricing (USD) |
Quantity | ||||||||||||
|---|---|---|---|---|---|---|---|---|---|---|---|---|---|---|---|---|---|---|
![]() |
![]() PIC16F722AT-I/ML |
![]() Microchip Technology |
![]() 8-bit Microcontrollers (MCU) 3.5KB Flsh 1.8V-5.5V 16 MHz int Osc |
![]() Data Sheet |
![]()
|
|
||||||||||||
| Image | Part No | Mfg | Description | ![]() |
Pricing (USD) |
Quantity | ||||||||||||
![]() |
![]() PIC1018SCL |
![]() Other |
![]() |
![]() Data Sheet |
![]() Negotiable |
|
||||||||||||
![]() |
![]() PIC10F200 |
![]() Other |
![]() |
![]() Data Sheet |
![]() Negotiable |
|
||||||||||||
![]() |
![]() PIC10F200-E/MC |
![]() Microchip Technology |
![]() 8-bit Microcontrollers (MCU) 384B Flash16B RAM 4 I/O |
![]() Data Sheet |
![]()
|
|
||||||||||||
![]() |
![]() PIC10F200-E/OT |
![]() Other |
![]() |
![]() Data Sheet |
![]() Negotiable |
|
||||||||||||
![]() |
![]() PIC10F200-E/P |
![]() Microchip Technology |
![]() 8-bit Microcontrollers (MCU) U 579-PIC10F200-I/P |
![]() Data Sheet |
![]() Negotiable |
|
||||||||||||
![]() |
![]() PIC10F200-I/MC |
![]() Microchip Technology |
![]() 8-bit Microcontrollers (MCU) 0.375KB Fl 16B RAM |
![]() Data Sheet |
![]()
|
|
||||||||||||
(China (Mainland))










