Product Summary
The LZ24BP is a 1/4-type (4.5 mm) solid-state image sensor that consists of PN photo-diodes and CCDs (charge-coupled devices). With approximately 350 000 pixels (692 horizontal x 504 vertical), the sensor of the LZ24BP provides a stable highresolution color image. All pixel signals can be read independently via the vertical shift register and horizontal shift register.
Parametrics
LZ24BP absolute maximum ratings: (1)Output transistor drain voltage VOD: 0 to +18 V; (2)Reset gate clock voltage VΦRS: Internal output V; (3)Vertical shift register clock voltage VΦV: -11.5 to +17.5 V; (4)Horizontal shift register clock voltage VΦH: -0.3 to +12 V; (5)Voltage difference between P-well and vertical clock VPW-VΦV: 29 to 0 V; (6)Storage temperature TSTG: -40 to +85 ℃; (7)Ambient operating temperature TOPR: -20 to +70 ℃.
Features
LZ24BP features: (1)Progressive scan; (2)Square pixel; (3)Compatible with VGA format; (4)Number of effective pixels : 659 (H) x 494 (V); (5)Number of optical black pixels. Horizontal : 2 front and 31 rear. Vertical : 8 front and 2 rear; (6)Number of dummy bits. Horizontal : 16. Vertical : 5; (7)Pixel pitch : 5.6 μm (H) x 5.6 μm (V); (8)R, G, and B primary color mosaic filters; (9)Low fixed-pattern noise and lag; (10)No burn-in and no image distortion; (11)Blooming suppression structure; (12)Built-in output amplifier; (13)Built-in overflow drain voltage circuit and reset gate voltage circuit; (14)Horizontal shift register clock and reset gate clock voltage : 3.3 V (TYP.); (15)Variable electronic shutter (1/30 to 1/10 000 s).
Diagrams

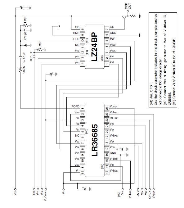
| Image | Part No | Mfg | Description | ![]() |
Pricing (USD) |
Quantity | ||||||||||||
|---|---|---|---|---|---|---|---|---|---|---|---|---|---|---|---|---|---|---|
![]() |
![]() LZ24BP |
![]() Other |
![]() |
![]() Data Sheet |
![]() Negotiable |
|
||||||||||||
| Image | Part No | Mfg | Description | ![]() |
Pricing (USD) |
Quantity | ||||||||||||
![]() |
![]() LZ24 |
![]() ebm-papst |
![]() Fan Cords & Accessories METAL FINGER GUARD |
![]() Data Sheet |
![]()
|
|
||||||||||||
![]() |
![]() LZ24-1 |
![]() ebm-papst |
![]() Fan Cords & Accessories GRD FOR 150MM/W2S130 |
![]() Data Sheet |
![]()
|
|
||||||||||||
![]() |
![]() LZ2413H |
![]() Other |
![]() |
![]() Data Sheet |
![]() Negotiable |
|
||||||||||||
![]() |
![]() LZ2416J |
![]() Other |
![]() |
![]() Data Sheet |
![]() Negotiable |
|
||||||||||||
![]() |
![]() LZ2423H |
![]() Other |
![]() |
![]() Data Sheet |
![]() Negotiable |
|
||||||||||||
![]() |
![]() LZ2426J |
![]() Other |
![]() |
![]() Data Sheet |
![]() Negotiable |
|
||||||||||||
(China (Mainland))









