Product Summary
TT170N16KOF is a phase control thyristor module, netz-thyristor-modul.
Parametrics
TT170N16KOF maximum ratings: (1)TT170N16KOF Dauergrenzstrom TC = 85; (2)average on-state current TC = 68℃; (3)Grenzlastintegral Tvj = 25 ℃, tP = 10 ms, I2t 135000 A2s; (4)I2t-value Tvj = Tvj max, tP = 10 ms, 106000 A2s; (5)Kritische Stromsteilheit, DIN IEC 747-6, (diT/dt)cr 150 A/μs; (6)critical rate of rise of on-state current, f = 50 Hz, iGM = 1 A, diG/dt = 1 A/μs; (7)Kritische Spannungssteilheit, Tvj = Tvj max, vD = 0,67 VDRM, (dvD/dt)cr; (8)critical rate of rise of off-state voltage, 6 Kennbuchstabe / 6th letter F, 1000 V/μs.
Features
TT170N16KOF features: (1)Isolations-Prüfspannung, RMS, f = 50 Hz, t = 1 min, VISOL 3,0 kV; (2)insulation test voltage, RMS, f = 50 Hz, t = 1 sec, 3,6 kV; (3)Freiwerdezeit, Tvj = Tvj max, iTM = ITAVM; (4)circuit commutated turn-off time, vRM = 100 V, vDM = 0,67 VDRM; (5)Innerer Warmewiderstand, pro Modul / per Module, θ = 180° sin, max.0,085 ℃/W; (6)thermal resistance, junction to case, pro Zweig / per arm, θ = 180° sin, max.0,170 ℃/W.
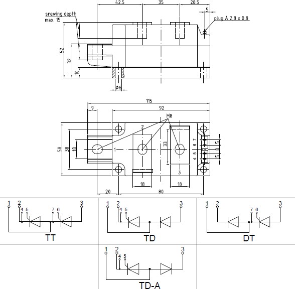
Diagrams

| Image | Part No | Mfg | Description | ![]() |
Pricing (USD) |
Quantity | ||||||||
|---|---|---|---|---|---|---|---|---|---|---|---|---|---|---|
![]() |
![]() TT170N16KOF |
![]() Infineon Technologies |
![]() Discrete Semiconductor Modules 1600V 350A DUAL |
![]() Data Sheet |
![]()
|
|
||||||||
| Image | Part No | Mfg | Description | ![]() |
Pricing (USD) |
Quantity | ||||||||
![]() |
![]() TT170N12KOF |
![]() Infineon Technologies |
![]() Discrete Semiconductor Modules 1200V 350A DUAL |
![]() Data Sheet |
![]()
|
|
||||||||
![]() |
![]() TT170N14KOF |
![]() Infineon Technologies |
![]() Discrete Semiconductor Modules 1400V 350A DUAL |
![]() Data Sheet |
![]()
|
|
||||||||
![]() |
![]() TT170N16KOF |
![]() Infineon Technologies |
![]() Discrete Semiconductor Modules 1600V 350A DUAL |
![]() Data Sheet |
![]()
|
|
||||||||
![]() |
![]() TT170N18KOF |
![]() Infineon Technologies |
![]() Discrete Semiconductor Modules 1800V 170A DUAL |
![]() Data Sheet |
![]()
|
|
||||||||
![]() |
![]() TT170N |
![]() Other |
![]() |
![]() Data Sheet |
![]() Negotiable |
|
||||||||
![]() |
![]() TT170IW |
![]() |
![]() FITTING TEE RACEWAY T170 OFF WHT |
![]() Data Sheet |
![]() Negotiable |
|
||||||||
(China (Mainland))









