Product Summary
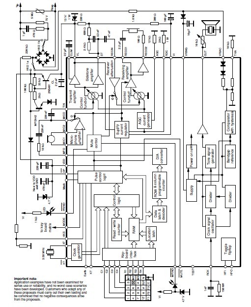
The U3761MB-TV is an universal telephone IC. It performs all the speech and line interface functions required in an electronic telephone set, a tone ringer, a pulse and DTMF dialing with redial, notice function, and 13 memories. Operation below 15 mA is possible with reduced performance.
Parametrics
U3761MB-TV absolute maximum ratings: (1)Line current IL: 140 mA; (2)DC line voltage VL: 14 V; (3)DC voltage at pins 1 to 11 and 33 to 44 VDC: 5.5 V; (4)Junction temperature Tj: 125 ℃; (5)Ambient temperature Tamb: -25 to +75 ℃; (6)Storage temperature Tstg: -55 to +150 ℃; (7)Total power dissipation, Tamb = 60℃, SSO44 Ptot: 0.9 W; (8)Junction ambient, SSO44 RthJA: 70 K/W.
Features
U3761MB-TV features: (1)Adjustable DC Characteristic; (2)Symmetrical Input of Microphone Amplifier; (3)Receiving Amplifier for Dynamic or Piezo-electric Earpieces; (4)Automatic Line-loss Compensation.
Diagrams

![]() |
![]() U3760MB |
![]() Other |
![]() |
![]() Data Sheet |
![]() Negotiable |
|
||||
![]() |
![]() U3760MB-N |
![]() Other |
![]() |
![]() Data Sheet |
![]() Negotiable |
|
||||
![]() |
![]() U3761MB |
![]() Other |
![]() |
![]() Data Sheet |
![]() Negotiable |
|
||||
![]() |
![]() U3761MB-S |
![]() Other |
![]() |
![]() Data Sheet |
![]() Negotiable |
|
||||
![]() |
![]() U3761MB-T |
![]() Other |
![]() |
![]() Data Sheet |
![]() Negotiable |
|
||||
![]() |
![]() U3761MB-XFNG |
![]() |
![]() IC UNVRSL PHONE CIRCUIT 44SSOP |
![]() Data Sheet |
![]() Negotiable |
|
||||
(China (Mainland))








