Product Summary
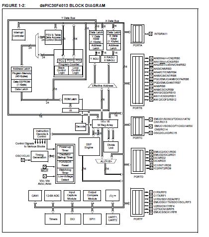
The DSPIC30F4013-30I/P is a high-performance, 16-Bit digital signal controller. It contains extensive Digital Signal Processor (DSP) functionality within a high-performance, 16-bit microcontroller (MCU) architecture.
Parametrics
DSPIC30F4013-30I/P absolute maximum ratings: (1)Ambient temperature under bias: -40 to +125℃; (2)Storage temperature: -65 to +150℃; (3)Voltage on any pin with respect to VSS (except VDD and MCLR): -0.3V to (VDD + 0.3V); (4)Voltage on VDD with respect to VSS: -0.3V to +5.5V; (5)Voltage on MCLR with respect to VSS: 0V to +13.25V; (6)Maximum current out of VSS pin: 300 mA; (7)Maximum current into VDD pin: 250 mA; (8)Input clamp current, IIK (VI < 0 or VI > VDD): ±20 mA; (9)Output clamp current, IOK (VO < 0 or VO > VDD): ±20 mA; (10)Maximum output current sunk by any I/O pin: 25 mA; (11)Maximum output current sourced by any I/O pin: 25 mA; (12)Maximum current sunk by all ports: 200 mA; (13)Maximum current sourced by all ports: 200 mA.
Features
DSPIC30F4013-30I/P features: (1)Modified Harvard Architecture; (2)C Compiler Optimized Instruction Set Architecture; (3)Flexible Addressing modes; (4)83 Base Instructions; (5)24-Bit Wide Instructions, 16-Bit Wide Data Path; (6)Up to 48 Kbytes On-Chip Flash Program Space; (7)2 Kbytes of On-Chip Data RAM; (8)1 Kbyte of Nonvolatile Data EEPROM; (9)16 x 16-Bit Working Register Array; (10)Up to Four 16-Bit Capture Input Functions; (11)Up to Four 16-Bit Compare/PWM Output Functions; (12)3-Wire SPI module (supports 4 Frame modes); (13)I2C module Supports Multi-Master/Slave mode and 7-Bit/10-Bit Addressing.
Diagrams

| Image | Part No | Mfg | Description | ![]() |
Pricing (USD) |
Quantity | ||||||||||||
|---|---|---|---|---|---|---|---|---|---|---|---|---|---|---|---|---|---|---|
![]() |
![]() DSPIC30F4013-30I/P |
![]() Microchip Technology |
![]() Digital Signal Processors & Controllers (DSP, DSC) General Purpose |
![]() Data Sheet |
![]()
|
|
||||||||||||
![]() |
![]() DSPIC30F4013-30I/PT |
![]() Microchip Technology |
![]() Digital Signal Processors & Controllers (DSP, DSC) General Purpose |
![]() Data Sheet |
![]()
|
|
||||||||||||
(China (Mainland))










