Product Summary
The VI-231-CU is a battery charger current source module. The BatMod combines Vicor’s industry standard package with the flexibility of a power converter whose output voltage and output current may be independently set. BatMod’s allow the user to independently program a constant output current and a maximum float voltage. The float voltage of the VI-231-CU is the point at which the BatMod transitions from constant current to constant voltage. These features of the VI-231-CU make the BatMod an ideal candidate for battery charging and other applications which require a controlled current source.
Parametrics
VI-231-CU maximum ratings: (1)Nominal Input Voltage: 48Vdc, 150Vdc, 42-60V, 100-200V,300Vdc 200-400V; (2)Output Current: 0-14.5A 12V battery system(Refer to Safe Operating Curves below)0-7.25A 24V battery system 0-3.6A 48V battery system; (3)Current Control Input: 1V to 5V Zero to max. current; (4)Current Monitor Output: 1V to 5V Zero to full load; (5)Voltage Control Input: 0V to 2.5V Zero to FS output; (6)Output Voltage Setpoint: 15V, 30V, 60V +/-1% 12V, 24V, 48V; (7)Trimmable +10%, -25% Output Respectively.
Features
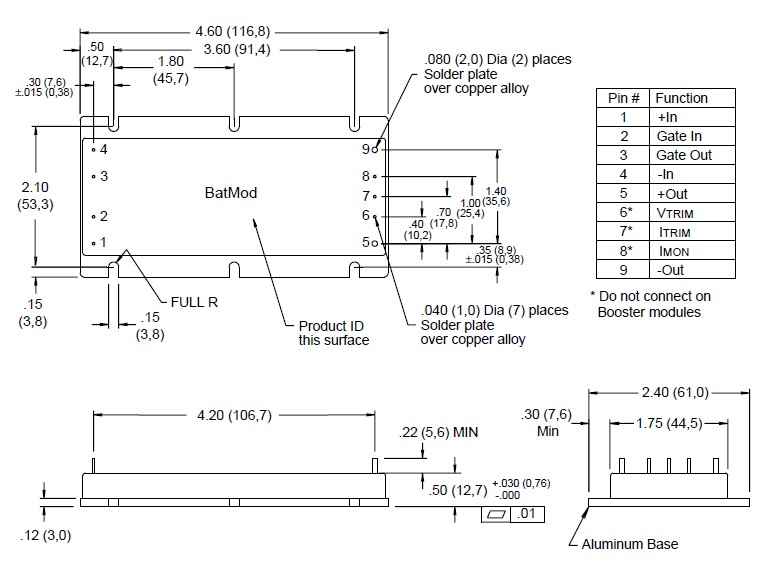
VI-231-CU fearures: (1)Programmable Output Current; (2)Booster Versions Available; (3)Size: 4.6" x 2.4" x 0.5" (116,8 x 61,0 x 12,7); (4)UL, CSA, TüV; (5)Compatible with All Major Battery Types; (6)Inputs: 48, 150, 300Vdc; (7)Outputs: 12, 24, 48Vdc Nom.; (8)Analog Current Monitor; (9)Analog Overvoltage Adjust; (10)CE Marked.
Diagrams

| Image | Part No | Mfg | Description | ![]() |
Pricing (USD) |
Quantity | ||||||
|---|---|---|---|---|---|---|---|---|---|---|---|---|
![]() |
![]() VI-231-CU-S |
![]() |
![]() CONVERTER MOD DC/DC 12V 200W |
![]() Data Sheet |
![]()
|
|
||||||
![]() |
![]() VI-231-CU-F4 |
![]() |
![]() CONVERTER MOD DC/DC 12V 200W |
![]() Data Sheet |
![]()
|
|
||||||
![]() |
![]() VI-231-CU-F3 |
![]() |
![]() CONVERTER MOD DC/DC 12V 200W |
![]() Data Sheet |
![]()
|
|
||||||
![]() |
![]() VI-231-CU-F2 |
![]() |
![]() CONVERTER MOD DC/DC 12V 200W |
![]() Data Sheet |
![]()
|
|
||||||
![]() |
![]() VI-231-CU-F1 |
![]() |
![]() CONVERTER MOD DC/DC 12V 200W |
![]() Data Sheet |
![]()
|
|
||||||
![]() |
![]() VI-231-CU-B1 |
![]() |
![]() CONVERTER MOD DC/DC 12V 200W |
![]() Data Sheet |
![]()
|
|
||||||
![]() |
![]() VI-231-CU |
![]() |
![]() CONVERTER MOD DC/DC 12V 200W |
![]() Data Sheet |
![]()
|
|
||||||
(China (Mainland))









