Product Summary
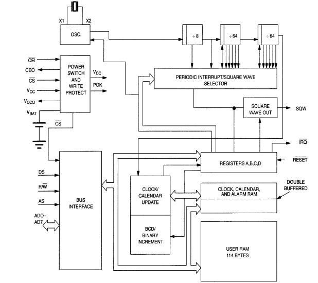
The DS14287+ is a Real Time Clock with NVRAM Control. It provides the industry standard DS1287 clock function with the additional feature of providing nonvolatile control for an external SRAM. Functions include a nonvolatile time-of-day clock, alarm, 100-year calendar, programmable interrupt, square wave generator, and 114 bytes of nonvolatile static RAM. The DS14287+ uses its backup energy source and battery-backup controller to make a standard CMOS static RAM nonvolatile during power-fail conditions. For the DS14287+ the internal lithium cell is electrically isolated from the clock and memory when shipped from the factory.
Parametrics
DS14287+ absolute maximum ratings: (1)Voltage Range on Any Pin Relative to Ground:-0.5V to +7.0V ; (2)Storage Temperature Range:-40℃ to +85℃; (3)Soldering Temperature: DIP:260℃ for 10 seconds; (4)Soldering Temperature: Surface Mount:See IPC/JEDEC Standard J-STD-020.
Features
DS14287+ features: (1)Direct Replacement for IBM AT Computer Clock/Calendar ; (2)Functionally Compatible with the DS1285/DS1287 ; (3)Available as Chip or Stand-Alone Module with Embedded Lithium Battery and Crystal ; (4)Automatic Backup Supply and Write Protection to Make External SRAM Nonvolatile ; (5)Counts Seconds, Minutes, Hours, Days, Day of the Week, Date, Month, and Year with Leap Year Compensation Valid Up to 2100 ; (6)Binary or BCD Representation of Time, Calendar, and Alarm ; (7)12- or 24-Hour Clock with AM and PM in 12-Hour Mode ; (8)Daylight Saving Time Option ; (9)Multiplex Bus for Pin Efficiency ; (10)Interfaced with Software as 128 RAM Locations ; (11)14 Bytes of Clock and Control Registers ; (12)114 Bytes of General Purpose RAM ; (13)Programmable Square-Wave Output Signal ; (14)Bus-Compatible Interrupt Signals (IRQ) ; (15)Three Interrupts are Separately Software-Maskable and Testable Time-of-Day Alarm Once/Second to Once/Day ; (16)Periodic Rates from 122μs to 500ms ; (17)End of Clock Update Cycle ; (18)Optional Industrial Temperature Version Available: DS14285 DIP, SO, and PLCC .
Diagrams

| Image | Part No | Mfg | Description | ![]() |
Pricing (USD) |
Quantity | ||||||||||
|---|---|---|---|---|---|---|---|---|---|---|---|---|---|---|---|---|
![]() |
![]() DS14287+ |
![]() Maxim Integrated Products |
![]() Real Time Clock |
![]() Data Sheet |
![]() Negotiable |
|
||||||||||
| Image | Part No | Mfg | Description | ![]() |
Pricing (USD) |
Quantity | ||||||||||
![]() |
![]() DS1401 |
![]() Other |
![]() |
![]() Data Sheet |
![]() Negotiable |
|
||||||||||
![]() |
![]() DS1401/NO-BRAND |
![]() Maxim Integrated Products |
![]() iButton Accessories |
![]() Data Sheet |
![]() Negotiable |
|
||||||||||
![]() |
![]() DS1401-4 |
![]() Maxim Integrated Products |
![]() iButton Accessories |
![]() Data Sheet |
![]() Negotiable |
|
||||||||||
![]() |
![]() DS1402-BB3 |
![]() Maxim Integrated Products |
![]() Cables (Cable Assemblies) |
![]() Data Sheet |
![]() Negotiable |
|
||||||||||
![]() |
![]() DS1402-BP3+ |
![]() Maxim Integrated Products |
![]() Cables (Cable Assemblies) Cbl 3' Ibutton To Probe |
![]() Data Sheet |
![]() Negotiable |
|
||||||||||
![]() |
![]() DS1402D-DR8+ |
![]() Maxim Integrated Products |
![]() Cables (Cable Assemblies) Cable 8' Blue Dot To Rj11 |
![]() Data Sheet |
![]()
|
|
||||||||||
(China (Mainland))











