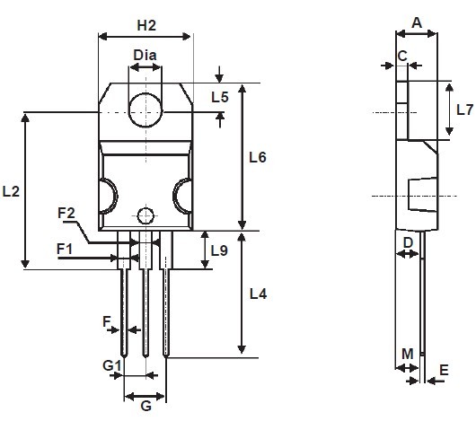
Product Summary
The STPS30L40CW is a low drop power schottky rectifier. It is suited for Switched Mode Power Supplies and high frequencyDC to DCconverters. Packaged in TO-247, TO-220AB and D2PAK the STPS30L40CW is intended for use in low voltage, high frequency inverters, free-wheeling and polarity protectionapplications.
Parametrics
STPS30L40CW absolute maximum ratings: (1)VRRM Repetitive peak reverse voltage: 40 V; (2)IF(RMS) RMSforward current: 30 A; (3)IF(AV) Average forward current Tc = 135℃ δ = 0.5 Per diode: 15 A; Per device: 30 A; (4)IFSM Surge non repetitive forward current tp = 10 ms Sinusoidal: 220 A; (5)IRRM Repetitive peak reverse current tp=2 ms square F=1kHz: 1 A; (6)IRSM Non repetitive peak reverse current tp = 100 μs square: 3 A; (7)Tstg Storage temperature range: - 65 to + 150 ℃; (8)Tj Maximum operating junction temperature *: 150 ℃; (9)dV/dt Critical rate of rise of reverse voltage: 10000 V/μs.
Features
STPS30L40CW features: (1)very smallconduction losses; (2)negligible switching losses; (3)low forward voltage drop; (4)low thermal resistance; (5)avalanche rated.
Diagrams

| Image | Part No | Mfg | Description | ![]() |
Pricing (USD) |
Quantity | ||||||||||||||||||
|---|---|---|---|---|---|---|---|---|---|---|---|---|---|---|---|---|---|---|---|---|---|---|---|---|
![]() |
![]() STPS30L40CW |
![]() STMicroelectronics |
![]() Schottky (Diodes & Rectifiers) 2X15 Amp 40 Volt |
![]() Data Sheet |
![]()
|
|
||||||||||||||||||
| Image | Part No | Mfg | Description | ![]() |
Pricing (USD) |
Quantity | ||||||||||||||||||
![]() |
![]() STPS0520M |
![]() STMicroelectronics |
![]() Schottky (Diodes & Rectifiers) 0.5 Amp 20 Volt |
![]() Data Sheet |
![]() Negotiable |
|
||||||||||||||||||
![]() |
![]() STPS0520Z |
![]() STMicroelectronics |
![]() Schottky (Diodes & Rectifiers) 0.5 Amp 20 Volt |
![]() Data Sheet |
![]()
|
|
||||||||||||||||||
![]() |
![]() STPS0530Z |
![]() STMicroelectronics |
![]() Schottky (Diodes & Rectifiers) 0.5 Amp 30 Volt |
![]() Data Sheet |
![]()
|
|
||||||||||||||||||
![]() |
![]() STPS0540Z |
![]() STMicroelectronics |
![]() Schottky (Diodes & Rectifiers) 0.5 Amp 40 Volt |
![]() Data Sheet |
![]()
|
|
||||||||||||||||||
![]() |
![]() STPS0540ZY |
![]() |
![]() DIODE SCHOTTKY 40V 0.5A SOD-123 |
![]() Data Sheet |
![]()
|
|
||||||||||||||||||
![]() |
![]() STPS0560Z |
![]() STMicroelectronics |
![]() Schottky (Diodes & Rectifiers) 0.5 Amp 60 Volt |
![]() Data Sheet |
![]()
|
|
||||||||||||||||||
(China (Mainland))









