Product Summary
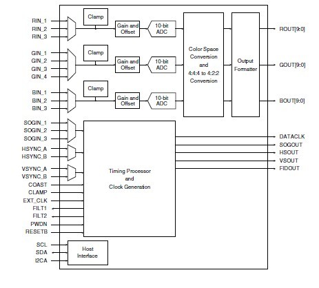
The TVP7002PZP is a complete solution for digitizing video and graphic signals in RGB or YPbPr color spaces. The device supports pixel rates up to 165 MHz. Therefore, it can be used for PC graphics digitizing up to the VESA standard of UXGA (1600 × 1200) resolution at 60-Hz screen refresh rate. The applications of the TVP7002PZP include: (1)LCD TV/Monitors/Projectors; (2)Digital Image Processing; (3)DLP TV/Projectors; (4)Video Capture/Video Editing; (5)PDP TV/Monitors; (6)Scan Rate/Image Resolution Converters; (7)LCOS TV/Monitors; (8)Video Conferencing; (9)PCTV Set-Top Boxes; (10)Video/Graphics Digitizing Equipment.
Parametrics
TVP7002PZP absolute maximum ratings: (1)Supply voltage range IOVDD to IOGND: –0.5 V to 4.5 V; DVDD to DGND: –0.5 V to 2.3 V; PLL_AVDD to PLL_AGND and AVDD to AGND: –0.5 V to 2.3 V; A33VDD to A33GND: – 0.5 V to 4.5 V; (2)Digital input voltage range VI to DGND: –0.5 V to 4.5 V; (3)Analog input voltage range AI to A33GND: –0.2 V to 2.3 V; (4)Digital output voltage range VO to DGND: –0.5 V to 4.5 V; (5)TA Operating free-air temperature range: 0℃ to 70℃; (6)Tstg Storage temperature range: –65℃ to 150℃.
Features
TVP7002PZP features: (1)-6-dB to 6-dB Analog Gain; (2)Analog Input Multiplexers (MUXs); (3)Automatic Video Clamp; (4)Three Digitizing Channels, Each With Independently Controllable Clamp, Gain, Offset, and Analog-to-Digital Converter(ADC); (5)Clamping: Selectable Clamping Between Bottom Level and Mid-Level ; (6)Offset: 1024-Step Programmable RGB or YPbPr Offset Control ; (7)Gain: 8-Bit Programmable Gain Control; (8)ADC: 8-/10-Bit 165-/110-MSPS ADC; (9)Automatic Level Control (ALC) Circuit.
Diagrams

| Image | Part No | Mfg | Description | ![]() |
Pricing (USD) |
Quantity | ||||||||||||
|---|---|---|---|---|---|---|---|---|---|---|---|---|---|---|---|---|---|---|
![]() |
![]() TVP7002PZP |
![]() Texas Instruments |
![]() Video A/D Converter ICs Tr 8/10B 165/110MSPS Video ADC |
![]() Data Sheet |
![]()
|
|
||||||||||||
![]() |
![]() TVP7002PZPR |
![]() Texas Instruments |
![]() Video A/D Converter ICs Tr 8/10B 165/110MSPS Video ADC |
![]() Data Sheet |
![]()
|
|
||||||||||||
(China (Mainland))









