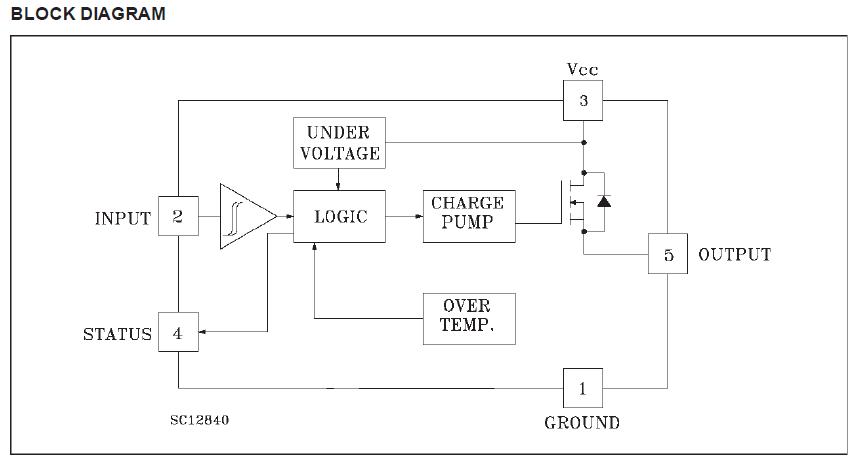
Product Summary
The VN02AN is a high side smart power solid state relay, which is made using STMicroelectronics VIPower Technology, intended for driving resistive or inductive loads with one side grounded. Built-in thermal shut-down protects the chip from over temperature and short circuit. The diagnostic output of VN02AN indicates an over temperature status. Fast turn-off of inductive load is achieved by negative (-18 V) load voltage at turn-off.
Parametrics
VN02AN absolute maximum ratings: (1)Drain-Source Breakdown Voltage: 60 V; (2)Output Current (cont.): 7 A; (3)Reverse Output Current: -7 A; (4)Input Current: ±10 mA; (5)Reverse Supply Voltage: -4 V; (6)Status Current (sink): ±10 mA; (7)Electrostatic Discharge (1.5 kW, 100 pF): 2000 V; (8)Power Dissipation at Tc ≤ 25 ℃: 31 W; (9)Junct ion Operating Temperature: -40 to 150 ℃; (10)Storage Temperature: -55 to 150 ℃.
Features
VN02AN features: (1)output current (continuous): 7A @Tc=25℃; (2)logic level 5V compatible input; (3)thermal shut-down; (4)under voltage protection; (5)open drain diagnostic output; (6)fast demagnetization of inductive load.
Diagrams

| Image | Part No | Mfg | Description | ![]() |
Pricing (USD) |
Quantity | ||||
|---|---|---|---|---|---|---|---|---|---|---|
![]() |
![]() VN02AN |
![]() Other |
![]() |
![]() Data Sheet |
![]() Negotiable |
|
||||
![]() |
![]() VN02AN-11-E |
![]() STMicroelectronics |
![]() Power Switch ICs - Power Distribution High Side Relay Pentawatt 5 Auto |
![]() Data Sheet |
![]() Negotiable |
|
||||
![]() |
![]() VN02AN-12-E |
![]() STMicroelectronics |
![]() Power Switch ICs - Power Distribution Smart Power Sold State PWR Relay |
![]() Data Sheet |
![]() Negotiable |
|
||||
![]() |
![]() VN02ANSP |
![]() Other |
![]() |
![]() Data Sheet |
![]() Negotiable |
|
||||
(China (Mainland))










